|
2020/11/10
|
|
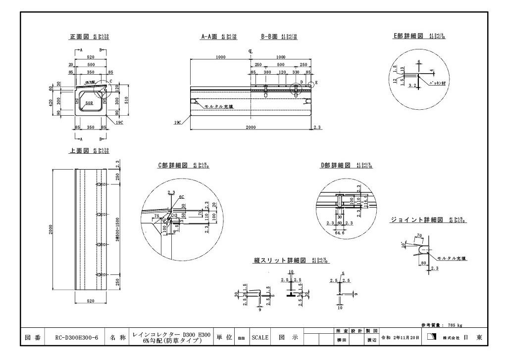
防草側溝 |
|
![]() ![]() ![]() |
|
| |
![]() 〒330-0064 事務局 (カイエー共和コンクリート工業株式会社内) 埼玉県さいたま市浦和区岸町7-11-2 松栄浦和ビル5F TEL:048-789-6103 ■お問合せ時間 10:00~19:00
問い合わせフォームでのお問い合わせは、24時間受け付けております。 休日:土曜日・日曜日・祝日 |
|
2020/11/10
|
|
防草側溝 |
|
![]() ![]() ![]() |
|
| |